本機器系中等型號臥式冷室壓鑄機,可適用于汽車摩托車、儀器儀表、家用電器、日用五金等工業部門,大批量生產鋁、鋅、銅等有色合金壓鑄件。
本機采用PC可編程控制器和觸摸屏實現機器的程序自動控制,具有遠程通信網上調控、故障查詢功能;液壓系統彩進口比例閥控制,合型用曲肘擴力機構四拉杠導向彈性受力框架結構,合型剛性好,鎖型可靠,運轉速度快,設有可靠的安全裝置,模厚調節用電動機械同步調整裝置,精度高,壓射采用先進的四級壓射增壓液壓系統,壓射速度快,增壓速度靈敏,最高壓射速度>6m/s,增壓建壓時間為20ms,壓射各工藝參數幸免可調節,能廣泛滿足壓鑄工藝參數要求。壓射缸與定型板聯結采用三拉桿剛性結構,澆注空間大,密封彩先進密封結構和進口密封件。
本機性能優良,使用穩定可靠,是國內先進的壓鑄機,可以代替進口產品。


| 項目 | 單位 | J1150 | ||
| 合型力 | kN | 5000 | ||
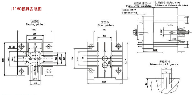
| 動型板尺寸(水平×垂直) | mm | 1160×1080 | ||
| 拉桿內間距(水平×垂直) | mm | 760×660 | ||
| 壓型厚度(最小/最大) | mm | 320/800 | ||
| 動型板行程 | mm | 450 | ||
| 頂出行程 | mm | 120 | ||
| 頂出力 | kN | 220 | ||
| 壓射力(增壓) | kN | 500 | ||
| 壓射行程 | mm | 572 | ||
| 壓射位置 | mm | 0 -220 | ||
| 標準壓室直徑 | mm | 70 | 80 | 90 |
| 一次金屬注入量(鋁) | kg | 4.1 | 5.4 | 6.8 |
| 壓射比壓 | MPa | 130 | 99.5 | 78.6 |
| 鑄件最大投影面積 | c㎡ | 636 | ||
| 空循環時間 | s | 12 | ||
| 液壓系統工作壓力 | MPa | 14 | ||
| 電機功率 | kW | 30 | ||
| 機器重量 | kg | 25000 | ||
| 機器外形尺寸(長×寬×高) | mm | 7350×1950×3150 | ||